Does Public Switched Telephone Network (PSTN) use two voice channels for a single voice call - one for each direction?
-
1How many wires are there between your PSTN phone and the wall? – dim Oct 09 '19 at 08:14
-
@dim There are four wires. However, I am confused because of 2-wire to 4-wire between customer premises and local exchange, and vice versa. – Quirik Oct 09 '19 at 08:18
-
1for the local loop, only 2 wires are used. That makes a single pair. When using the old analog telephone system, both call directions are therefore merged in the same channel. The other 2 wires you have are likely unused (but maybe this is country dependent - I know that in France, there is only a single analog channel). – dim Oct 09 '19 at 08:27
-
1@dim What about core network? Does it use one voice channel for each direction? – Quirik Oct 09 '19 at 08:31
-
@Marcus Müller I am aware of that, but I am doing a little research and want to understand how it worked. If it uses only one voice channel why then four wires were used in the core network (one pair for each direction)? – Quirik Oct 09 '19 at 08:35
-
@Navi things get a bit problematic here: there's no "one" PTSN core network. And sure, when digitizing and packetizing and compression for transport over a core network, a phone network operator will try to demultiplex the directions (under a few circumstances at least, e.g. terminal hasn't deactivated echo cancellation), but that's kind of implementation-specific. – Marcus Müller Oct 09 '19 at 08:36
-
@Navi the four wires in your home equipment are there so that phones can be chained. It's a pretty regional thing; Germany had that, but I didn't know it existed anywhere else. It's just two wires for the first phone, that are connected to the second pair of wires 1:1, unless someone picks up the phone and does a call – Marcus Müller Oct 09 '19 at 08:37
-
Does all this apply for digital PSTN (E1/T1 transmissions)? – Quirik Oct 09 '19 at 09:10
-
@Navi The core network is something there is no public spec about. It is up to the telephone company to decide on how to implement it. In some countries with old infrastructure, it may still be analog. In some other countries, it may be digital with a channel for each direction, but with different implementations across different companies (some based on ISDN, some based on VoIP, ...). I'm not sure there is a definitive answer. In any case, as soon as you go digital, you technically have to separate the channels for each direction, if that answer your concerns. – dim Oct 09 '19 at 09:20
-
4 wire permits 2 phone lines for audio/fax/data 2 services – Tony Stewart EE75 Oct 09 '19 at 13:48
-
@Navi, no but digital != PSTN – Marcus Müller Oct 09 '19 at 16:20
1 Answers
Regular analogue phones require two wires to operate and by operate I mean transfer voice signals in both directions simultaneously without the earpiece you are using getting bombarded with your own amplified voice from the handset microphone.
Basically the transmit and receive amplifiers are wired as a kind of wheatstone bridge and this cancels local sounds from being locally received: -
Picture from here.
The cancellation of local transmitted voice in the earpiece is called "sidetone balancing" and relies on the transmitted signal to line producing exactly the same voltage on both inputs of the differential receiver for the earpiece. For this to work effectively, the line's characteristic impedance has to be controlled throughout the telephone network.
If you understand wheatstone bridges then you should understand this.
Does Public Switched Telephone Network (PSTN) use two voice channels for a single voice call - one for each direction?
The network may convert the forward and return voice signals into two separate signals so that line amplifiers can be added when line lengths are particularly long: -
Picture from here (ELC-523).
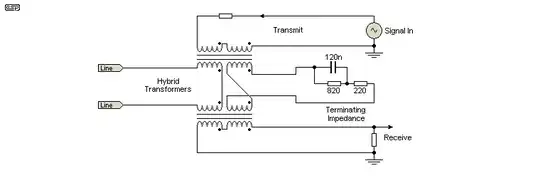
The above circuit is one half of what is known as a telephone hybrid and here's the bigger picture that shows 2 to 4 to 2 wire amplifier: -
Picture from Elliot sound.
In detail, the hybrid can be realized with two of these although solid state versions are used in the modern world: -
Picture from Elliot sound.
The two wires entering your home are also used to transmit the ringing signal (circa 90 volts AC).
See also this answer for other details.
- 456,226
- 28
- 367
- 807
-
1Could you please provide links or citations to the original images that you copied into your answer? – Elliot Alderson Oct 09 '19 at 17:57



