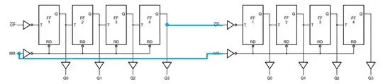
I'm learning how to use ICs and am currently playing with a 74HC393. Since it contains 2 independent 4 bit binary counters I am trying to connect both sides of the chip to make them work together. Since this chip does not have a carry output I am trying to simulate that myself using the 4th bit of the first counter as the clock of the second counter. This works just fine except that because the clock is triggered on a low edge the second timer only ticks every second time the 4th bit of the first counter changes.
In order to make it tick every time the 4th bit changes I tried adding in a dual-edge triggered pulse described in this other post. However, this is not working as expected. The second timer appears to sometimes tick more than once, seemingly more often when its 3rd output should go high. I can see easily see this because I have LEDs connected to each output. I also tried rigging up my own Schmitt trigger inserted between the dual-edge triggered pulse and the clock of the 2nd timer and it improved but it's not consistent.
I might be on the wrong track. What is the correct way to tie these timers together? Thanks for the help.
