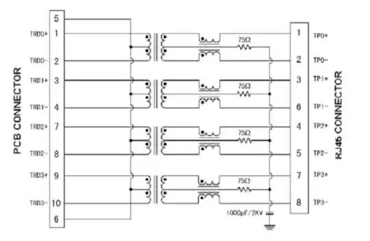
I'm looking at an example circuit diagram from ST, and it use sa 48F-01GYDXNL part that I can't find anywhere. It's a gigabit ethernet jack with magnetics, and the datasheet shows a circuit looking like:
Link to the datasheet. I'd like to use a different part, but what I want to know is do I have to have the exact same circuit inside the magnetics ? Is any old RJ45 magjack going to work ? Or is it somewhere between the two ?
The one I'd like to use is
(datasheet here) which appears sufficiently different to cause me to worry they're not functionally the same.

