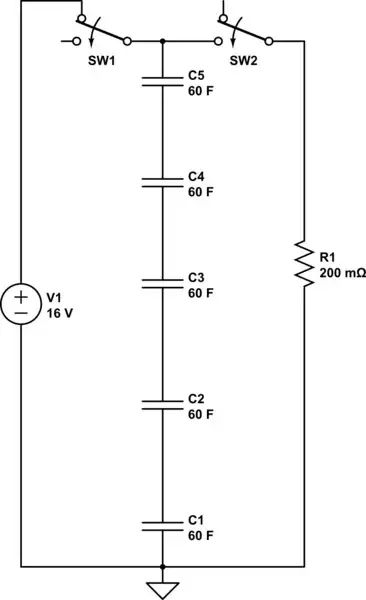
We have a project to build an RC car from scratch and are only allowed to use NiMH batteries, no LiPo. We're hoping to power the car with an EDF (https://hobbyking.com/en_us/durafly-vampire-v2-rcaf-edf-and-motor.html or similar) which runs at 4s or ~14.8V, 60A. Instead of using two heavy (1kg) 8.4V batteries in series, we would like to try and power the EDF with 6 x 2.7V 60F supercapacitors, charged before the race with the aforementioned heavy battery packs.
So my questions are:
- Do capacitors in series need some sort of balance charging like LiPo's?
- Do they all discharge at the same time or one at a time, i.e. will we be constrained by the rated 20A discharge rate or the low voltage cutoffs of the ESC?
- Is this safe and doable?
