I am specifically talking about the circuit found here.

I want to make this same circuit but make it run on much lower voltage, preferably a coin cell or two. Longevity is not important.
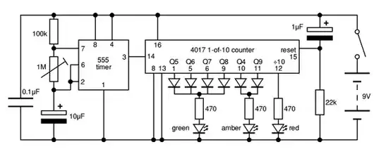
I am specifically talking about the circuit found here.

I want to make this same circuit but make it run on much lower voltage, preferably a coin cell or two. Longevity is not important.
You could run it from 6 volts - just stick two CR2032 coin cells together. Make sure your 4017 and 555 ICs are the CMOS versions, as they can run on lower voltages (see your data sheets). You also may want to reduce the value of the 470 ohm current-limiting resistors that are before the LEDs, perhaps 330 ohm if you're on 6 volts. That looks like fun, I'm going to build it myself tonight. Thanks!