37

What does this symbol represent?

Mystery symbol

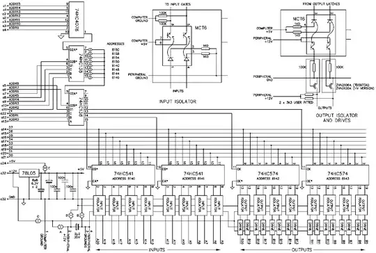
It was found on the circuit diagram for a TDS973A a board for which this was the only information I was able to find online.

Schematic containing symbol

Peter Mortensen
  • 1,679
  • 3
  • 17
  • 23
faire
  • 473
  • 4
  • 7
  • 3
    closing A, C, and D seems to be the nuclear option – dlatikay Aug 21 '19 at 21:47
  • @dlatikay I wonder if there's a mistake in the schematic somewhere around D. It seems to connect "peripheral +12V" to 5V, which sounds undesirable at best. – mbrig Aug 23 '19 at 19:40

2 Answers2

47

These are "solder links" and could look like:

enter image description here

Note how the top right one looks the most similar to the symbol from the schematic.

These are copper shapes on a PCB.

If you don't do anything these structures will be an "open" so they make no connection.

But using a soldering iron and some solder it is easy to apply some solder and make that connection.

This can be used to connect / disconnect certain parts of a circuit on a PCB and so set certain options, for example to feed a certain voltage to a line (or not).

Bimpelrekkie
  • 80,812
  • 2
  • 94
  • 185
43

Those are solder-bridge points and the circuit symbol accurately represents the shape of the PCB pads.

enter image description here

Figure 1. Options J1, J2 and J4 have been bridged. Option J3 has been left open. Source: PCB Libraries.

Transistor
  • 175,532
  • 13
  • 190
  • 404