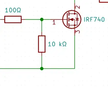
I am using a voltage divider circuit of 100 Ω and 10 kΩ resistors, and using their output for the (IRF740) transistor's input.
I'm trying to figure out why do the resistors have those specific values. It makes sense that if I use voltage divider, I get 0.99x as a result with 100 Ω and 10 kΩ, resulting in the same output voltage as the output.
But if that's true, then why do I need those resistors in the first place, if I get the same voltage as input. Can't I achieve the same without them?
