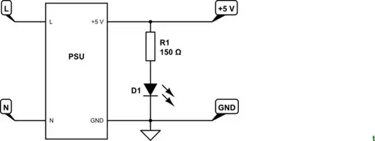
For a background, I have 3 DPST bistable (latching flip-flop) relays that I have 120VAC input and 2 outputs. On one side, I have a 120VAC appliance. On the other side I need to find a way to feed it back into a Raspberry Pi's GPIO pins to detect whether it's live. What is the simplest way to accomplish this? I thought about step-down transformers and induction, but the transformer would get expensive, since I can't seem to find any other way to do it besides chaining 120vac to 5vdc and 5vdc to 3vdc and I have no idea how to use induction.
UPDATE:
Thanks for all of your answers. The Bistable relay requires a 0.2s pulse to trigger to switch, so as long as the response time is less than or equal to that, it will work just fine. As such, using a cheap USB charger should work if @Transistor is correct in his assessment about ~100ms response time. However, it seems a bit hackish and I'd rather find something ready to be used in a DIY circuit rather than tearing apart the casing to extract the guts of a product.

