Everyone who has ever handled a multimeter is familiar with these dials. The position of the dial indicates the maximum range of the quantity that can be measured.
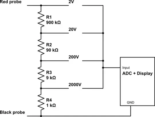
But why are we required to adjust the maximum range ourselves? What happens internally in the multimeter when the dial is adjusted, say, from 20V to 200V? If we have the dial on 20V, and the voltage measured is 50V, why can't the meter provide a measurement? I don't have much knowledge on the internal workings of a multimeter, but I understand that voltage is measured by letting an infinitesimal amount of current through the meter and measuring the magnetic field (something along these lines). But why can't the meters adjust their range themselves?
EDIT: I know there are autoranging meters, but I'm interested in knowing why others have to be adjusted manually.



