I wouldn't normally do a 10A supply with a linear regulator unless there is some compelling reason, but it can be done effectively.
With the outboard boost circuit, the effective resistance to engage at 0.5A (which your regulator is rated for) would be 1.2 ohms but that would be too close to the regulator capability for my liking.
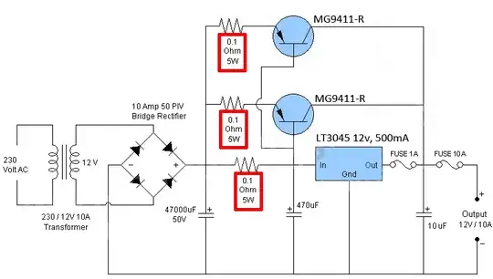
The circuit below is how you could do it (ignoring the input transformer and smoothing and output decoupling so we focus on the boost circuit):

simulate this circuit – Schematic created using CircuitLab
The transistors will engage at Iin ~ 0.6V / 2 = 300mA (well below the regulator capability).
The resistor should be rated for 0.5W (so there is a lot of headroom). The actual dissipation will be more like 180 mW or so (depends on Vbe to turn on the transistors which may be as high as 0.9V which is why I chose a current well under the regulator capability).
You only need a single resistor; note that when drawing schematics, clarity is key.