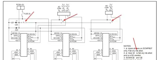
I'm dealing with a module where the block diagram is given as follows:
The datasheet can be found both at here and an alternative one here.
When I perform a continuity test with a multi-meter between I/O Common and the Power Common pins, there is continuity and the multi-meter shows 0 Ohm.
But it seems according to what the datasheet tells and so the block diagram there must be isolation between these pins. Can I be wrong making conclusions about isolation by using a multi-meter?

