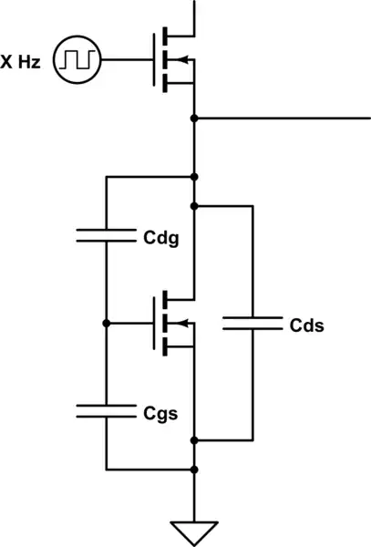
Im studying mosfets switching characteristics and one thing I happen to come across is the concept of "cross conduction".I searched around the web and couldnt find answer to my question.Kindly read whole post.
In the image below, mosfet-1 is on, as the voltage is applied to motor M,for a brief period of time mosfet-2 drain-gate voltage suffers from a sudden voltage spike, which maybe high enough for mosfet-2 to turn on, which is not the behaviour we want.
Voltage spike(Drain-Gate)at mosfet-2(when it is supposed to be off)
All of this is understood, but what I dont understand is "why" this happens? Q) Is it because of inductive load(motor), which may oppose current in initial stage thus effecting the drain-gate voltage of mosfet-2 for a short period of time?
Q) what can be done to prevent this ? Q) Also at lower +Vdd voltages(like 12-24-volts) will this be a significant problem,practically ?
Im talking in context to H-bridges only. Thank you for your time!

