I do not understand why the current still flows through resistors R3 and R5 when R6 and R4's resistance is 0. To me, it would seem that the current would skip R3 and R5, however the answer key says otherwise. I have attached the problem and answer key. I realize that this is not the question being asked in the problem, however when I solved it I just took out the R3 and R5 so I got a different answer for the current flowing through the voltage source.
2 Answers
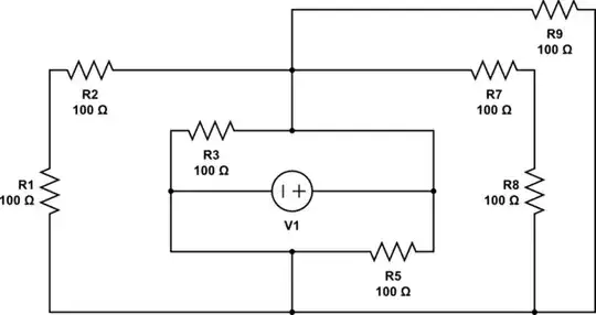
With R4 and R6 being zero, this means they are essentially a short circuit. You should imagine the initial circuit to look like this:

simulate this circuit – Schematic created using CircuitLab
This now becomes much easier to visualise.
however when I solved it I just took out the R3 and R5 so I got a different answer for the current flowing through the voltage source
I believe what happened here is you mistook the meaning. Where you removed them from the circuit, what you should have done is just replaced them with a wire as shown above. When you do this, you can see that R3 and R5 are connected straight across the supply voltage, so there must be current flowing through them. From here, you can re-draw and simplify the circuit to solve.
- 11,923
- 5
- 35
- 71
-
4Actually removing the resistors would be appropriate if their resistances were infinity ohms. – Nate Eldredge Feb 20 '19 at 03:32
I do not understand why the current still flows through resistors R3 and R5 when R6 and R4's resistance is 0
When R6 and R4 are zero, R3 and R5 directly connect across voltage source V. Given that V = 10 volts, sure there'll be current through R3 and R5.
- 456,226
- 28
- 367
- 807
