I'm currently working on my master thesis and therefore need to simulate a solar cell in LTSpice.
I've already modeled and simulated some examples with constant values. But for a more accurate model, I want to make the whole system temperature dependent since the solar cell will heat up from 15°C to roughly 70°C. The problem I'm facing is implementing the temperature dependency.
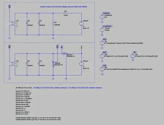
As far as I know, there is no way of using a temperature curve (just temp sweeps) for the simulation. The only way to get around this problem is using a voltage dependent current source (Iph) and varistors for the series and shunt resistor (Rs and Rsh). But when I'm using varistors instead of resistors, I get totally different results which are nothing like I'd expect them to be. I attached two plots showing the difference.

Figure 1: Expected solar cell results

Figure 2: Solar cell results with varistors
Do you have any ideas what I'm doing wrong with the varistors, or is there a better way to implement the temperature dependency?
The schematics are attached. If you have any questions, feel free to ask. Thank you for the time and knowledge you are investing! I really appreciate it.


