I'm confused about what is meant by "radial" topology of an electrical distribution system. This site claims we can generally group electrical distribution systems into three classes: radial, loop, and network. A radial topology "has only one power source for a group of customers". Web pages here and here provide consistent definitions adding they are called "radial" because feeders radiate from a single source.
However, Santos gives a more general definition of radial:
"There are two main topologies of structures for defining the layout of a distribution or transmission grid, the radial grid topology and the mesh grid topology. The radial grid is a tree shape topology where do not exist close loops. This means that you start on one bus and deliver power to the next without the possibility of finding the original bus, except if you turn backward."
This is not consistent with the first:
- There is no requirement for a single source.
- Power flows do not necessarily have to be unidirectional.
- There is no mention explicitly of feeders. I.e. we could have a distributor line with multiple sources and sinks and still call it radial.
The question came up for me while reading some stuff on microgrids. Lasseter gives an example of a supposedly radial structured microgrid in the first figure below. So called feeders radiate from a point of coupling to the grid. But since this is a microgrid, each sub network has microsources and power flow controllers, and it is not strictly prohibited that power flow back up out of "C" and into "A" for example, when the microgrid is operating in islanded mode (disconnected from the mains). It is still a tree but not consistent with the first definition.
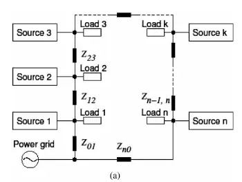
In the context of microgrids Guerrero et al. give another definition of radial. Discussing the line diagram in the second figure below they state:
"... if every source is connected to at most two other sources, as shown in Fig. 1(a), then the microgrid is radial. Otherwise, it is meshed. If there is a line connecting Source 1 with Source k in Fig. 1(a), then it is a meshed microgrid. By far, the largest body of research work done in decentralized microgrid control has been for radial architectures of the type described in 7.
That looks more like a "loop" in the original author's terminology, but I guess if we consider the single line a distributor it is a tree like structure and consistent with Lasseter and Santos.
My take on all this is "radial", in the most general agreed upon sense, just means having a tree structure. It does not prohibit multiple sources and bidirectional flows. Specifically, multiple sources and sinks connected to a single distributor (as opposed to feeder from a single source to loads) would still be classified as a radial topology. Can anyone with experience in this domain back me up?

