I'm working on a project for school that involves a configurable input stage (AC/DC coupling and variable input impedance) connected to an instrumentation amplifier. I am wondering whether I will experience any major DC offset issues if I connect an analog switch to the in-amp's inputs, or if I would be better of using relays.
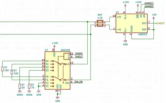
Here's what my input stage currently looks like:

A few notes on the design:
- The 1.3k resistor pair provides protection for the input stage
- The resistor network connected to the switch is designed to allow be to select the input impedance
- The options are infinite, 50ohm single-ended, 75ohm single-ended, 100ohm differential, and 150ohm differential.
- To the left (out of image), there is a mechanical relay-based AC/DC coupling selection circuit
- I realize that the analog switch will have no protection, but I'm hesitant to use diodes due to leakage currents
- I do not need fast switching
This question is mainly about leakage current: is the leakage of a CMOS switch (such as the ADG409) low enough that it won't produce a significant DC offset at the output? Or would I be better off using relays?
Edit: something like the MAX14778 would be a better option, assuming that the leakage currents are common-mode. The only problem is that it comes in a 5x5mm QFN package, which is not ideal for prototyping.
To answer your offset question. Looks like leakage from the switch is 1nA. The INA is 5nA nominal. Leakage should be same into both + and - inputs and not cause offset.
– EasyOhm Feb 01 '19 at 22:20