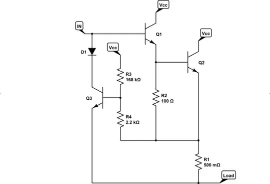
The first thing to do is to redraw the schematic into a somewhat better (more readable) layout. (You can read a short discussion I wrote here.)

simulate this circuit – Schematic created using CircuitLab
(I've changed the designations for the parts, above. Live with it. The schematic editor labels them for me and I'm not going through the trouble to rename them. I think you can still follow along okay.)
The above circuit is one quadrant of a two quadrant output driver. This quadrant can source current into the load but cannot sink current from the load. So you'll need a second quadrant to provide the sinking capability. Obviously, this is one half of a two-quadrant output driver stage. (A motor driver requiring both power delivery to the motor and absorbing power from braking, both forward and backward, would probably need a four-quadrant system. In this case, there is only power delivery to the load and no expectation of absorbing significant power from the load, which isn't expected to be a significant source of power back into the circuit.)
There's already a great answer regarding \$R_2\$ (as in the schematic above) found at EESE: resistors within a Darlington transistor. That explanation should help a great deal, I think. Feel free to ask additional questions you feel aren't answered there. But that answer is pretty easy to follow, I think. As you should be able to work out from reading it, there's no "bright line" about creating a specific value for \$R_2\$. It will be a matter of the parts you select, your goals in the circuit, and your judgment and experience.
Different engineers would likely select somewhat different values for \$R_2\$ and would be able to make good arguments for their choices. Perhaps the most important thing is merely that you actually have a defensible argument for your choice and that you didn't simply choose a value without any thought at all. You should be able to explain why you chose what you chose. That's all.
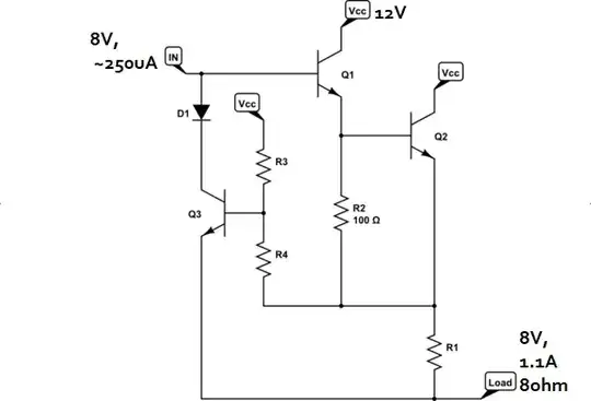
\$R_1\$ exists for several reasons. It's important, for example, even if \$Q_3\$, \$D_1\$, \$R_3\$, and \$R_4\$ didn't exist to more sharply curtail (limit) output current. By itself, the voltage drop across \$R_1\$ as output current increases will tend to push upward on the Darlington emitter, pinching its base-emitter drive voltage and acting to help limit the output current and power dissipation in the Darlington parts in the case of a shorted output.
But \$R_1\$'s voltage drop here also provides a signal that is fed back to the base of \$Q_3\$ via \$R_4\$. At some point, the voltage drop across \$R_1\$ caused by the load current will reach a voltage value that, less a slight drop across \$R_4\$ when supplying base current into \$Q_3\$, will cause \$Q_3\$'s collector to start pulling current away from the base of \$Q_1\$. As it does so, the Darlington becomes starved of drive current, limiting the output current more sharply than before because there is now a circuit actively working to remove drive at the source (the base of the Darlington) as well as merely passively pushing upward on the Darlington emitter.
Of course, this would be useless if the signal at IN were a low-impedance voltage source. In that case, all that would happen is that \$Q_3\$ would simply pull lots more current heading towards the load, bypassing the rest of the circuit (and \$R_1\$, as well.) And that's the opposite of what would be desired. The only way this works is when the drive (IN) voltage drops when \$Q_3\$ pulls current away, diverting it towards the load to bypass the Darlington. This means there needs to be significant source impedance present, driving this quadrant. Otherwise, \$Q_3\$ (and supporting parts) don't work as intended.
(Since a Darlington often only requires a modest current compliance for its drive, diverting a significant part of it away via \$Q_3\$ should not damage the load. For example, if the circuit were arranged so that the Darlington could supply up to \$1\:\text{A}\$ maximum and only required \$1\:\text{mA}\$ of base drive compliance to achieve that, then if \$Q_3\$ diverted all of the \$1\:\text{mA}\$ away from the Darlington and into the load (designed to handle up to \$1\:\text{A}\$), you can see that the load could easily handle the diversion without trouble. Meanwhile, the Darlington is completely turned off and could no longer supply that \$1\:\text{A}\$ to the load.)