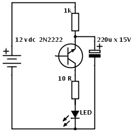
1. The original circuit is very fussy and this is why it will now always work. 
Because the BJT's does not work in his "typical" application. Also, your "big" cap can have too large leaking current. You could try to increase the supply voltage to 12V.  
Also, this circuit is not recommended and it should be treated as an interesting circuit, but not as a reliable circuit.  
2. The time constant equation will not work here. Because the capacitor is first charged via 1k resistor until the capacitor voltage reaches emitter-collector breakdown voltage. And this voltage will vary. 
And then the capacitor will be quickly discharged via emitter-collector -- >10R resistor and LED. And in this case, your equation will not work. 
The voltage across the capacitor will look something like this: 

I use RED LED and Vcc = 12V and 2kΩ resistor, 47μF capacitr. 
As you can see the voltage across the capacitor swings from \$V_{START}= 8.82V\$ to \$V_{END} = 10.2V\$ (when charging via 2kΩ resistor).
And to calculate how long it will take we need to use this equation: 
$$T_1 = RC \cdot \ln\frac{V_{CC} - V_{START}}{V_{CC} - V_{END}}$$
And the discharge phase time
$$T_2 = RC \cdot \ln\frac{V_{END}}{V_{START}}$$ 
And in this circuit is hard to predict the discharging resistance value.