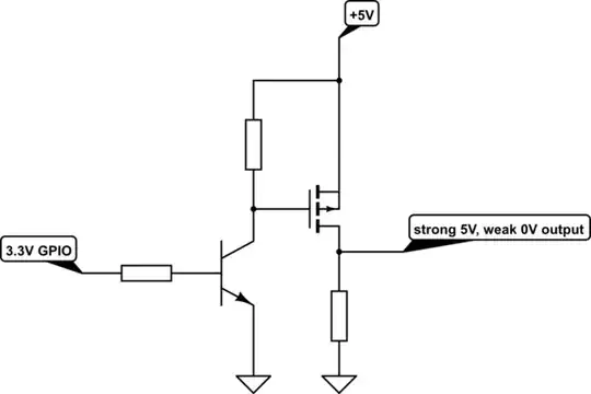
I was trying to step up the output of a 3.3V microcontroller pin to 5V for communication with another device. I wanted to do it with a single bjt, and found a good design for doing that here
Single transistor level up shifter
That design works fine and I've moved on with the project, but it left me with a question: Before I went looking for a design online, I assumed I could just flip the resistor on a standard logic-inverting level changer from the high side of the transistor to the low side. i.e. I tried this

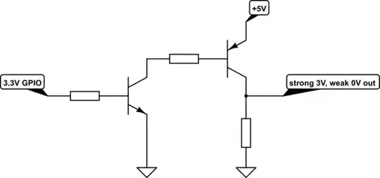
simulate this circuit – Schematic created using CircuitLab
It seemed like a pretty straightforward switch. At LOW input, I thought the transistor would be off and the output pulled to 0V, and at HIGH the transistor would be active and connecting Vout to 5V. The HIGH part of the plan didn't work, though. A 3.3V input to the base brought Vout into the neighborhood of 2V, with 3V dropped across the transistor itself.
I don't have a lot of breadboarding experience, so I'm sure there's a simple explanation that I'm missing here. If anyone could enlighten me as to what's going on, it would be much appreciated!

