I'm looking for a brand of Toroid isolation transformer with electrostatic shielding. There may be one brand which has this. Unless there is just none in the whole world? Is it not possible to put electrostatic shielding in any Toroid isolation transformer?
Original message (findings: It's a semi isolation transformer)
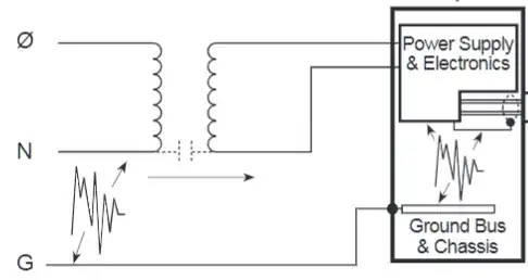
I bought a Hammond Isolation Transformer (dual 234v/117v primary and secondary) for isolating test projects from ground. But when I measured it from one of the output to the soil, it measures 112.3 volts. The other lead is near zero. I thought it was supposed to be isolated to ground.

Here's the model.
https://www.hammfg.com/electronics/transformers/power/1182.pdf
I chose the m117 model or 500va.
Here's the primary connection

Here's the secondary connection

Note all the 4 windings have no connection to each other initially (tested using continuity meter). Even after connecting them right. There is still no connection between primary and secondary (any of the wires), when not powered.
It's not an autotransformer which has connection between one of the leads of the primary and secondary. Unless a toroid autotransformer has no connections between the primary and secondary too?
So why does one of the leads reads 112.3 volts to the soil? Isn't it an isolation transformer? But the primary and secondary windings are supposed to be separate which is what makes isolation transformer, isn't it. What do you think?

An autotransformer only has one winding. The Hammond 1182 toroid has 4 windings. So how could it still be an autotransformer??

