This is probably something really simple, but I wasn't able to find the answer yet.
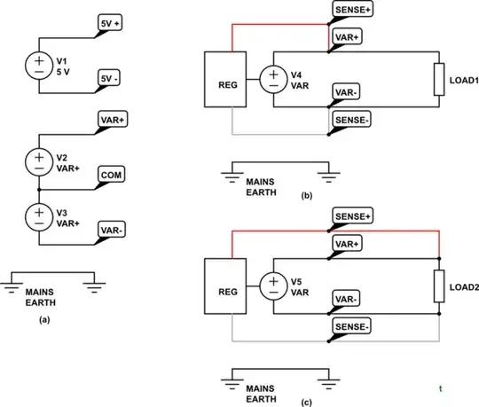
I've been using a power supply with both COM and earth ground, like the first image below.
To power an op-amp, I was using COM for grounding.
Then, I came across a power supply like the second image below, which doesn't have COM.
Also, I've seen a power supply with no ground port whatsoever like the third image below.
I heard the earth ground is noisier. Why do some power supplies have both COM and earth ground, but others don't? And if I have to use one without COM or no ground port at all, what are my alternatives?




