I don't speak English very well so sorry for the problems in the language.
I am working on a cardiac pulse meter, it is based on the changes of the flux in the blood that go through the fingers. The part of the solution that i have at the moment is a transducer and then a low pass filter (cutting frequency of 15 Hz). The operation range of the circuit is from 0.8 Hz to 3 Hz because that is the frequency of the hearthbeat. I need to amplify my signal so i wanted to add a OPAMP UA741 as an amplifier but it didn't work. The signal is really weak and after the OPAMP the signal dies.
Here a picture of the signal after the low pass filter.
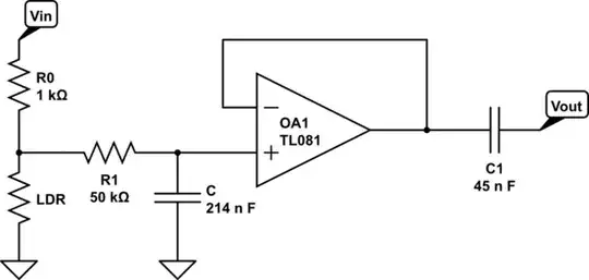
Here a picture of the circuit diagram. Consider that model OPAMP is not TL081, it is UA741. Also, the resistence called LDR is actually a light-dependent resistor that can have a resistance from 0 to 5k.

simulate this circuit – Schematic created using CircuitLab
I have updated the resistances and capacity values, also i have added a capacitor in order to block the DC component of the signal. When i measure the voltage with the osciloscope at DC coupling in the Vout point what i read is a DC signal that moves from 0 to 20 mV with the shape expected of the hearthbeat. Now what i need to do is amplify the signal from that range to 2 V, but when i try to add an non-inversor amplifier OPAMP with gain of 10 (for example) my signal after the opamp dies. This is my first electronic proyect, i am trying to learn whit this so i will be very grateful for any help. Thanks.