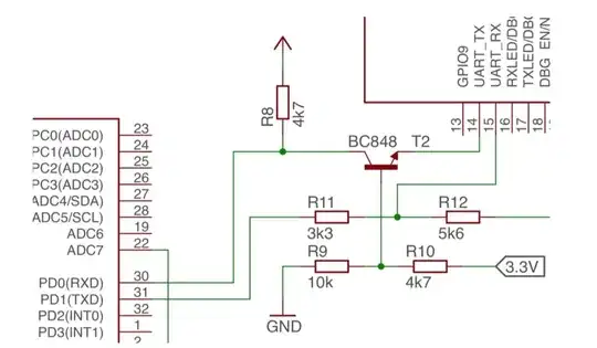
I'd like to ask how this circuit works:
I understand how it works in principle, but not technically. It's a USART voltage level shifter. It's supposed to divide 5V to 3.3V by a resistor divider, in the direction from microcontroller (on the left ATMEGA328), to RFmodule which works with 3.3V. But in opposite direction, a transistor has been used which I do not understand. Arrow above R8 resistor indicates 5V.
