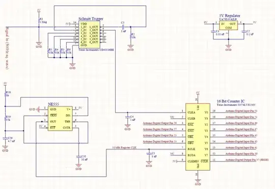
My test circuit is shown below. I've tried various configurations but keep getting jumps in the output counts. Seems to be repeatable and consistent. For instance, the first jump always occurs around 7k-8k counts. I saw another post where the problem seemed to be with power supply filtering. I've tried many different filtering caps on my regulator output, the register clock signal and the counting clock signal. Advice would be greatly appreciated at this point.
Arduino code can be reviewed here
Arduino Output:
UPDATE
5V supply without 555 running:

UPDATE
Tried replacing the counter chip with a new one and got the same result as before. Also, when I slowed down the input signal to 10 Hz I was able to see that the first jump occurred between decimal 8114 and 8150. The first decimal value after the jump was 16390, almost exactly double!
00011111 10110010 Decimal: 8114 <-- Count before fault
00011111 11100100 Decimal: 8164 <-- Expected Count after fault
01000000 00000110 Decimal: 16390 <-- Actual Count




