There are a number of ways of denoting which pin on an integrated circuit is pin 1. The most common is probably a small dot, either in the plastic molding or printed on it, but you also frequently see ICs with a notch cut out of one end.
Here are a few demonstrations: On a DIP, SOIC, SSOP, or similar package, you usually see either the notch or the dot:

or even both:

On a QFP, it's usually the dot:

or the dot plus notched corner:

and on a large BGA or PGA, and maybe also LGA (though I'm not too familiar with LGA) you might see a notch cut out of one corner:

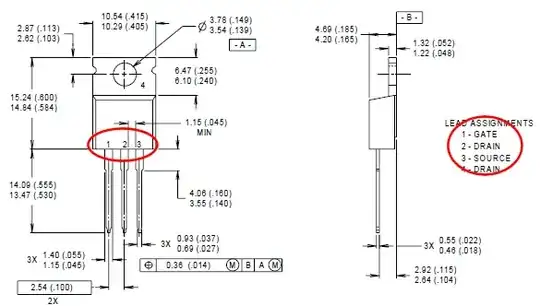
SIP, TO-220, TO-92, DDPAK, and other packages just have their pins numbered from left to right as seen with the part number facing you. These sometimes have a dot as well:


In general, if you aren't sure, check the datasheet. Any nonstandard pin numbering will be explained in it. (and note that some pin numberings will skip numbers! This is especially true for DIP modules that have 'missing' pins.)
As a further note, some packages (such as the TO-220 in the last image above) have an additional 'pin'; in the case of the TO-220, it's a large tab with a hole in it designed to be mounted to a heatsink.
In other cases, you might see a package labelled, for example, SOIC-EP, standing for Exposed Pad, which has a large metal pad on the bottom of the chip, intended for thermal dissipation.

What number these tabs or exposed pads are given depends on the device; sometimes, they share a number with one of the regular pins, which they're also internally connected to, but sometimes they have their own number. They're usually intended more for thermal purposes than electrical purposes, but they are almost always electrically connected to something internally.
Most images obtained from http://www.amiga-stuff.com/hardware/pinnumbering.html.