0

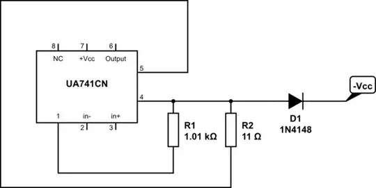
I've the following schematic for a UA741CN when there is NO offset:

schematic

simulate this circuit – Schematic created using CircuitLab

Question: Why do we need the diode and the two resistors to create an ouput of the opamp without any offset (or a little one, due to not ideal components)?

Dave Tweed
  • 172,781
  • 17
  • 234
  • 402
Looper
  • 331
  • 1
  • 9
  • 2
    Why not provide a link to your source? That's not a remotely "normal" offset configuration. It also opens the door to possible instability due to lack of power supply decoupling. (Not likely, but clearly worse than normal.) – WhatRoughBeast Apr 18 '18 at 18:41
  • 1
    @WhatRoughBeast I'm re-engineering a actually circuit. And this is how they confiqurated it. – Looper Apr 18 '18 at 18:42

2 Answers2

1

What is "offset null" in IC 741? has some explanations

The 741 is an OLD design and one often needs to tweak out the DC offset that exists on its output. A pot between pin 1 and pin 5 with its wiper to -VCC (pin 4) is typical. Your circuit is using fixed resistors.. don't know why.

The diode seems extraneous to the offset function. Are you sure that's why it's there?

mike65535
  • 1,493
  • 2
  • 16
  • 27
1

The configuration as shown will introduce a (relatively) large offset voltage deliberately, probably in the ~5mV range, due to the mis-matched resistors on the null pins. That may or may not be enough to guarantee that the offset voltage is in a known polarity (but see below).

The diode is unrelated. It may be to protect the inputs against voltages that go below the -Vcc rail, which would otherwise forward bias the isolation junctions in the chip. It will degrade the low side of the common mode range voltage by one diode drop on top of the 2V (typical) that exists without the diode.

Note: In the analysis above, I am assuming that the resistors are part of a fixed design. If they are individually chosen to match each chip it's possible that they do in fact null the offset voltage to (close to) zero. This would be a 1980s type of design for something like a thermocouple amplifier. Insert a resistance box into the circuit, adjust the knobs to null the amplifier, then replace it with a fixed resistor!

I have even seen designs (1970s era) that used custom wirewound resistors for this purpose (the hapless technician had to adjust the length of the wire on a spool to null the error).

Spehro Pefhany
  • 397,265
  • 22
  • 337
  • 893