
simulate this circuit – Schematic created using CircuitLab
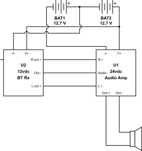
I built a suitcase boom box using a cheap BT Rx module and an amplifier module. The BT module is 12 vdc and the amp has an upper voltage input of 24Vdc, so a pair of 5 Ah 12vdc batteries was chosen to power it. My plans are to power the amp from the batteries in series, and use the CT for the - side of the BT rx.
The problem is the audio - output is connected to power - on the amplifier, so when I connected everything, delicious smoke emanated from the BT Rx, ending its short life. What is the simplest way to eliminate the 24v - on the audio connection between the amp and rx?
The modules I used: https://www.amazon.com/UEB-Bluetooth-Decoder-Wireless-Speaker/dp/B06Y2BCCV6/ and https://www.amazon.com/WINGONEER-TPA3116D2-Subwoofer-Amplifier-DC12V-24V/dp/B01M70KGSN/

