I want to have a light bulb as a daytime running light that is located next to the turn signal (blinker). Since that daylight running light is kind of bright (having a clear lens) I want it to turn off while the blinker is on (flashing) and MAYBE stay OFF for ~2+ seconds after the blinker is stopped.
What size and kind capacitor is needed to smooth out the signal from the blinker? (given that the capacitor has the time to charge while the blinker is on) The Blinker has less than a 1 sec frequency.
1994 BMW 840Ci is the vehicle if anyone wants or knows how to find more info.
Blinker - 12v 21W
Daytime Running Light - 12V 21W
NC Relay
NO Relay ACC - Accesories turned on
Any suggestions on how else this could be done, would be greatly appreciated.
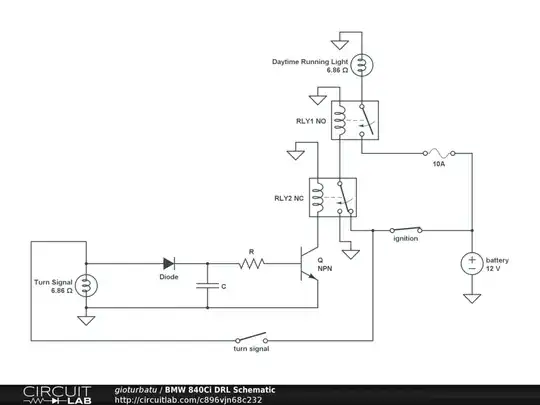
And here is a diagram with what I was thinking. I hope someone would make some sense of it.

Best regards, Gio
Thank you for the inputs, I have made a new schematic that makes sense to me right now. oh boy!
https://www.circuitlab.com/circuit/896vjn68c232/bmw-840ci-drl-schematic/


