Background: I am a non-EE (an 0x11? :^) thrust into the world of embedded systems design. I started this project with a only college physics-level understanding of circuits, but I'm gradually learning.
The design I'm working on consists of several sensors, an SD card, and a TI CC1111 SoC. The CC1111 includes an 8051 core, a USB controller, and an RF transceiver. My design is based on a reference USB dongle design provided by TI.
The device will typically operate on battery power, using 2 AA batteries in series (or potentially 4 AA batteries in parallel pairs), unless connected to a USB port. I'd like the device to switch over seamlessly between USB and battery, without a microcontroller reset.
I'm looking for a circuit to switch between the two power sources (batteries or USB bus). From what I can tell the simplest thing would be to use OR-ing diodes. The problem here is that I'd be wasting power (current x forward voltage drop of diode), and that's something I want to avoid.
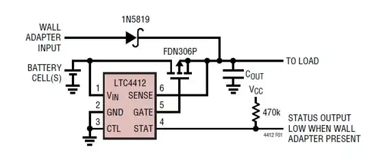
One option I'm considering is the LTC4412 power controller, recommended in answer to someone else's question.
Question 1: Does this look suitable?
One concern I have is the delay in switching over from USB bus power to battery power when the device is disconnected from USB. According to the LTC4412 datasheet, the turn-on time for the MOSFET gate can be up to 175 us. I don't want the CC1111 (or the digital sensors) to reset. Looking at Figure 1 in the datasheet (see too the discussion of bypass capacitors on page 5), the trick is to properly choose a value for the output capacitor, C_out. I calculated a value, but I'm not sure if my approach is valid. If you'll bear with me:

The CC1111 is normally operating at 3V from 2 AA batteries. Suppose it could operate at only 90% of that (2.7 V). I use the current drawn by the load (my device) and the nominal voltage (3V) to come up with an equivalent resistance (V/I). Based on my measurements and summing currents taken from datasheets, the device can draw a current somewhere between 35 mA and 70 mA. This gives me an equivalent resistance in the range of 43 Ohms to 86 Ohms.
If I want the voltage to drop to no less than 90% after 175 us (the LTC4412 gate turn-on time), then after doing the math I get a time constant (RC) of 1.66 ms. Using 40 Ohms to be safe, I come up with C > (1.66ms/40 Ohms) = 42 uF. Maybe add another 10% or 20% for safety, so say 50 uF.
Question 2: Is that approach and calculation valid?
I pulled that 90% number out of thin air. The CC1111 datasheet says that 3.0 V is the minimum voltage, so I'm not sure what I'm doing is kosher. Should I use some kind of step-up converter to get, say, 3.3V out of the batteries?
Thanks in advance for your help (and for reading so much text).
