After reading an article for floating source wiring I decided to use the following scheme:

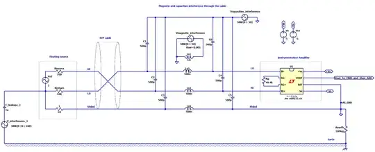
And following that in the below circuit I tried to make a more complete model for a floating source used with an instrumentation amplifier of a data acquisition board.
C_leakage is the leakage capacitance between earth modeled from this article. In my sim, in the middle of the cable there is a model for capacitive and inductive inference as you see. InAmp used in the sim is AD8221.
Following the article's recommendation I found out that in the sim, if I don't use any Rearth and connect AIGND directly to earth, the interference through the earth becomes very apparent; but higher the resistor Rearth the lower the that interference effect becomes.
On the other hand Rsource and Rreturn must be equal to get rid of the magnetic and capacitive interference through the cable.
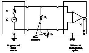
I decided to use this STP configuration above instead of the configuration below:
It is because in this article if Im not wrong it recommends to use STP cable but not bias resistors between the source inputs ends to AIGND.
I also read in different articles that the shield better to be connected to the source's ground at the source side. So exactly like here.
My questions are:
1-) If I use the diagram in my LTspice sim above as a setup for many floating inputs, should I use a 10k to 10Meg resistor for Rearth? In sim Rearth gets rid of or reduces the interference through the earth. But in practice how does it actually do this and is that really needed? And what if I dont earth AIGND is that still neded?
2-)I have 5 type of DC outputting transducers. By STP I will guarantee the imaginary impedance balance but there might be source resistance unbalanced. Should I measure their source impedances seen by one and add the same source resistance to the source ground to make R1=R2 here? In other words should I make R1=R2 even though R1 source resistance is <100 Ohm?
3-) Would adding a series resistor to the source ground to balance the lines have any effect on cross talk during multiplexing?

