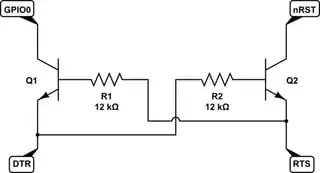
I'm looking at the NodeMCU "auto-program" circuit but could not understand why it is there at all.
From my point of view, this circuit enables open-collector outputs, but makes programming dependent on the time between switching the DTR and RTS pins being smaller than the ESP goes from reset to sampling the GPIO0 level.
Another reason I could imagine was to avoid invalid startup/connection resets, but I can't see why proper pulling couldn't fix this.
Is there any reasoning I couldn't see from my analysis? Why isn't DTR/CTS connected directly with one transistor on each line? Why controlling each line directly (and thus allowing to switch GPIO0 low before resetting without glitches) wouldn't be better?
EDIT: while the question is about the same structure shown in Is this a flip-flop?, I understand it's function and know it's not a flip-flop (no need to redraw it). What I'd like to do is know why was it chosen instead of a much simpler open collector configuration like the one below, specially since this one doesn't generate a glitch in the transition between the two programming states (from reset to/from GPIO0=0).


