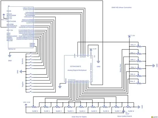
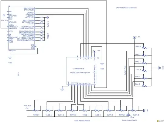
In the process of a project I decided to try my hand and the skill of schematic design. I tried my best to follow the "make it clear and readable" advice from this link:
Rules and guidelines for drawing good schematics
I won't turn away advice on the circuit itself, but what I'm really looking for is constructive criticism on the layout/design aspects of the schematic itself. I was just hoping you all could help me to make it better. Here's the design, what would you change to improve it?
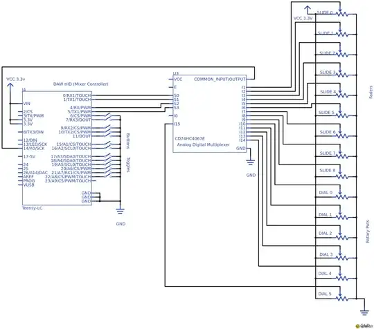
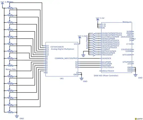
Here is an updated attempt, based on the advice here:
v3 with inputs to the left(mostly) and new component layouts:




It's a controller for using with a DAW, so it will convert the input from the switches and pots into MIDI signals over USB for the software.
– madEngineer Jul 24 '17 at 16:03