Most countries use AC power that is supplied to each house. This AC power is in the form of a sine wave. Suppose I have 2 electrical power sockets in two rooms that are at the opposite ends of my house. Will both the electrical sockets provide the same sine wave that is in phase or will the voltage have a constant phase shift between the two? Which of the two graphs does it resemble?:-

- 163
- 3
- 7
- 497
- 2
- 5
- 15
-
11In case you have a single-phase supply - yes. Sometimes homes have more than one phase supply for special needs. – Eugene Sh. May 11 '17 at 17:38
-
6Domestic properties are normally single phase, but larger ones may have three. Without seeing your meter and/or fuse/breaker panel it's impossible to say. – Finbarr May 11 '17 at 17:38
-
You likely has +-110 power, to provide 220 to appliances. Should the electrician not use both halves for normal room outlets? – analogsystemsrf May 11 '17 at 17:46
-
3@analogsystemsrf normally the phases are divided by area not by outlet. – Trevor_G May 11 '17 at 17:49
-
Go take a picture of the power meter you are billed on and post it here. I once lived in an old farm house and it still had a three phase meter. – Andy aka May 11 '17 at 18:18
-
1If you house: is smaller relative to the distance of the light in a few miliseconds; you have not isolation transformers; uses a single company supplier and single phase from it; then, yes, they are in phase or contraphase kn – pasaba por aqui May 11 '17 at 18:26
-
4What is your nationality? – WhatRoughBeast May 11 '17 at 21:19
-
Phase Dwg is wrong.. it should be 180 deg inverted. for split phase and 120 deg for 3 phase – Tony Stewart EE75 May 11 '17 at 21:19
-
All normal single-phase outlets should be on the same phase. However, some homes do in fact have a three-phase connection. These outlets are distinct and easily recognizable though; no chance of confusing them for a single phase outlet. – CogitoErgoCogitoSum May 11 '17 at 21:24
-
Without wishing to put words into the mouth of the OP, I read the question as being, "Is there a small phase-shift between my outlets in different parts of the house, assuming all sockets are supplied by one phase?". Which I think is a much more interesting question than the one that everyone has answered - and is also one I can't answer. – May 11 '17 at 22:01
-
1@Lefty, I suppose there would have to be, since the waveform can't propagate faster than the speed of light. A signal in a cable is slower, let's go with 0.5c. At that speed, an extra 150 m would take 1 μs, or 1/20000 of a 50 Hz cycle, or 0.018 degrees if I got the numbers right. Doesn't sound like very much. – ilkkachu May 11 '17 at 22:41
-
It could be some location with 2 phases , one which is split 60 degrees apart instead of 120. @Rishi the reactive current shifts phase while the voltage should be stable. – Tony Stewart EE75 May 11 '17 at 22:58
-
4I am pretty sure that this depends on the location. Here (Germany) for example three-phase supply for homes and flats is normal (e.g. in this house, each flat has three huge breakers in the basement, one for each phase) – Jonas Schäfer May 12 '17 at 07:52
-
1@analogsystemsrf if you're in the USA or a country with similar electrics. The European system is a single leg at 230V – Chris H May 12 '17 at 08:20
-
1@Finbarr: EugeneSh.: Don't be so quick in determining single phase being the norm, just because it is the norm where you live. This is an international site, and in countries like germany it is extremely rare to have a utility company deliver only single phase power to a premise, all get three phase, and the north american two phase 240V arrangement is basically unheard of. – PlasmaHH May 12 '17 at 10:49
10 Answers
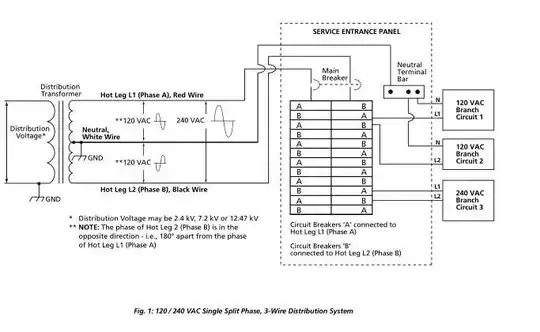
Here in North America, each house is fed from a single phase of the distribution system thru a step-down transformer. The secondary of that transformer is 240 V center tapped. All three lines go into your house.
The center tap is earth grounded near where it enters the house. Ordinary 120 V circuits are between one of the ends and the center, which is ground. High-power 240 V circuits, like for a range or dryer, are between both ends.
Therefore the hot side of one 120 V circuit will either be the same phase or 180° out of phase with others. It will also be the same phase as one side of the high power circuits, and 180° out of phase with the other side of these high power circuits.
- 499
- 5
- 14
- 313,258
- 36
- 434
- 925
-
1Is it an arbitrary decision whether they use one end or the other for any particular circuit? Do they try to use each end for roughly half the circuits? Is there an easy way to tell if two circuits are on the same end or not? – Octopus May 11 '17 at 18:27
-
Are you sure they are in columns that way? In order to have 220V breakers they need to alternate phases as they go down the column. – Cort Ammon May 11 '17 at 18:42
-
8@OlinLathrop: In my experience, the top pair (left/right) of breakers will be on one phase, second pair on the other, alternating in each row down the panel. For 240 volt circuits, you use a two-pole breaker that occupies two vertical slots to get both phases. – Peter Bennett May 11 '17 at 19:33
-
-
5@BrockAdams I was under the impression that it's standard to "balance" in terms of just making sure about half of the active circuits are on each phase, while not caring about the actual load on any circuit (with the understanding that actual load is unpredictable). True? – trent May 11 '17 at 21:00
-
In the US, nominal voltage is 120/240. It was (apparently) changed from 115/230 in the 80's. You must've been doing this for a long time :) – BlueRaja - Danny Pflughoeft May 11 '17 at 21:25
-
@BlueRaja-DannyPflughoeft hey, you still get some people calling it "one-ten" :) – hobbs May 12 '17 at 01:40
-
-
2@trentcl Generally, domestic properties aren't running close enough to the limits to matter which phase you're putting things on. They also don't tend to have predictable, long term, easily splittable loads like an office building with a thousand lights. – SomeoneSomewhereSupportsMonica May 12 '17 at 10:25
-
5@SomeoneSomewhere More critically, domestic supply comes fundamentally from one of the three phases on the grid, so there's actually nothing to balance as far as the grid is concerned. The two phases come from a center-tap transformer driven by a single phase from the grid, so it's really only balancing the consumer side of that transformer which doesn't really matter - the neutral is fully rated to carry a completely unbalanced load and it doesn't affect the grid one way or another whether your private center-tap transformer is running balanced or not. – J... May 12 '17 at 15:03
-
-
@PeterBennett This configuration is also important for common-ground configurations where two separate 120 circuits are run with 3 wire (+ground) cable. Red and black are both hot and share the same neutral. In order for this to be safe, it's crucial that the two circuits are out of phase and be mechanically interlocked. Breakers next to each other (vertically) need to be out of phase to allow such configurations. – JimmyJames May 12 '17 at 19:30
-
@JDługosz seriously Japan uses 100V±6%, not 110, 117 or 120V http://www.legrand.com/files/fck/File/pdf/Power_guide/EX29007-PDF%20BD.pdf – phuclv May 13 '17 at 01:26
The two responses given have been from a North American members. I'll give a European perspective.
In parts of Europe (I know for sure about Belgium, The Netherlands, Germany, France and the UK), they use a 230 V/400 V (230 V between line and neutral, 400 V between phases) three phase system. Most houses are provided only one of the three phases, and hence the outlets will be on the same phase. Often, it is possible (although, in general, not very common) to get 3-phase in your house, in order to run larger machines (heat pumps, big ovens, ...). In this case the electrical installer will wire different sockets to different phases if it is a new installation.
In either case, even if a house is provided with multiple phases, since most rooms have all their sockets wired up to a single breaker (specific to that room or group of rooms) it is quite likely that they are still all on the same phase.
- 1,679
- 3
- 17
- 23
- 12,502
- 35
- 64
-
29In the region of Europe where I live I've never seen a house connection box with anything less than all three phases of the 400V rotary. The classic wiring here is polyphase meter, polyphase fault current breaker, and then single-phase safety switches (ideally with mechanically coupled neutral breaker) going off from the ELCB in more or less balanced circuits in sequence R, S, T, R, S, T, ... – dlatikay May 11 '17 at 19:34
-
11And three phases going to the kitchen, to a special outlet for the oven. – Simon Richter May 11 '17 at 21:05
-
2Around here most use single phase for that. At home we have 3 phase for the induction stove, but it's a unusually powerfull one. Most people I know have single phase at their home. Intereresting to hear that you use a special outlet for the oven! – Joren Vaes May 11 '17 at 21:10
-
8@dlatikay, Joren Vaes, it would be helpful if you define "here", especially since both of you refer to being in Europe but have differing details. – donjuedo May 11 '17 at 21:50
-
@JorenVaes, yes, I noticed the oven, too. I was thinking of machine shop "toys" for 3 phase. :-) – donjuedo May 11 '17 at 21:51
-
1Even my smallish apartment apparently has the sockets of separate rooms in separate phases. Three phases to the stove/oven (of course). I think I've heard that the house I lived in as a kid had a single-phase stove/oven, and that it was exceptional enough to surprise an electrician. "Here" in Northern Europe. – ilkkachu May 11 '17 at 22:05
-
2In the Former Yugoslavia, it's extremely common to have 3-phase power, especially in urban areas. The wiring is done so that the load will be hopefully balanced among the phases and pretty much all big consumers, like stoves, ovens, central heating systems and so on, will use 3-phase power. We even have local 3-phase outlets for big consumers, which are based on modified east-german outlets. The meters are 3-phase, and after the meter, there's a circuit breaker or fuse for each of the phases. Then, there are additional smaller fuses or breakers for each of the smaller circuits. – AndrejaKo May 12 '17 at 07:45
-
In the UK it's rare to have a 3-phase supply to a house. If you have one added for a workshop it's expensive and may well be on a second meter. The phases instead take turns along the street, so you're likely to be on a different phase to your next door neighbours (we had one phase blow on the way into the street; every 3rd house went off instantly, the rest only when the crew came to fix it). If you do have a 3-phase supply there are rules about how they're distributed (roughly: one phase per room except for 3-phase sockets) – Chris H May 12 '17 at 08:25
-
3In Germany, my small apartment has all three phases. Different phases are used for different rooms. I am not sure about my oven. Each of the three phases has 4 or so independent circuit breakers. – mic_e May 12 '17 at 08:44
-
One thing that's slightly different about the UK and means that phases need to be separated within a building is our use of ring mains. With multiple phases in the same space the potential for an interesting short would be quiet high when completing the ring. Three-phase sockets/equipment (along with high-current singlephase things like ovens and showers) is usually wired directly back to the distribution board/fuse box not in a ring. – Chris H May 12 '17 at 12:24
-
I wonder if all the power meters in the EU have a 6kV arc gap inside the meter just like NorthAmerican standard. Meanwhile many electronic designs are only rated to 3kV HIPOT. I was in the AMR biz so I know this to be generally true. (auto-meter-reading) – Tony Stewart EE75 May 12 '17 at 14:35
-
1Most (not too old) houses and apartments in Germany (except very small apartments of about up to 30 or 40 m² have three phase supply. This is mostly because of the electric ovens, which usually gets the power for two plates from one phase, for the other two from another and the baking oven from the third. This way, 3×16 A is enough. If you'd draw everything from one phase, you'd need 35 A or maybe even more. – glglgl May 13 '17 at 11:36
-
In Finland most houses and appartments have 3 phase input, for sauna (nearly all apparments have saunas nowdays, yes there is a sauna for nearly every person) and oven. The individual outlets have a single phase, but the phase can be different for different rooms. – joojaa May 13 '17 at 13:11
-
1Yep. In Germany, 3 phase 400V is the default connection scheme for electric stoves. – rackandboneman May 13 '17 at 23:31
It depends on your location. China, India, EU, UK, NA, Africa, NZ, AU are different.
Many of the 220Vac residences are only single phase.
many with √3 * Vac for 2 of 3 phases.
- North America is generally split phase with center tap = Neutral like below with 120/240V 60Hz
Others may be 1, 2 or 3 phases in various combinations with 120 phases.
- or any combo of 120 deg apart for 3 phase or with 1 phase split.
- About 80% of the people in the world have access to electricity. China has 99%.
- USA and Canada consume almost 2x the next nearest country, AU.

What happens when you get a shock? like your income tax just doubled (lol)

- 1
- 3
- 54
- 185
-
1@tony-stewart-ee-since-75 The way I interpret those maps is that they indicate the voltage available from "normal" sockets. AIUI most North-american homes have 120/240 available to the house but only a handful of 240V outlets installed for specific appliances. – Peter Green May 12 '17 at 10:55
-
Of course the 240V is for electric Ranges which use 120V for clocks and 240 for heaters and some electric water heaters which may be 120/240. But every household range is 240V using L1/L2 in North America and yet they show dual voltage for other countries. Obviously the power receptacles are different and all those global power tables exclude 240 for Canada USA when every home has it. (unless you live off the grid or in a cottage or farm) – Tony Stewart EE75 May 12 '17 at 13:29
-
How broad is the selection of countries? For instance, does it include Bahrain (13th by GDP, $52,000, in the world) that may or may not be high up on the list? – Peter Mortensen May 12 '17 at 13:58
-
This is an example of what I said. http://www.worldstandards.eu/electricity/plug-voltage-by-country/. about omitting the obvious dual split single phase voltage in North America. and other countries. @PeterMortensen it's global but obviously done by someone in the EU. – Tony Stewart EE75 May 12 '17 at 14:28
-
Sigh... I hate those energy per household curves... Lets see the energy per square kilometer.... Me thinks Canada would be a lot further down the curve and China and the UK a LOT higher. – Trevor_G May 12 '17 at 15:58
-
The most common residential and small commercial service in Canada and the U.S., single split-phase, 240 V, features a neutral and two hot legs, 240 V to each other, and 120 V each to the neutral.
So yes, if you are in North America, you have a two "leg" house. The different legs are normally divided to balance the load on each.
Where necessary the 240V or a two leg plug is supplied for stoves and other high wattage devices.
- 46,675
- 8
- 72
- 154
-
1What you're calling "phases" are not usually called that in wiring practice. To avoid confusion only the 120-degrees-apart phases are called that. The 180-degrees-out-of-phase "line" connections are instead called "legs". A wiring diagram will often use L1 and L2 to denote them. – Jamie Hanrahan May 11 '17 at 20:10
-
@JamieHanrahan Is this compatible with the "high leg" term for systems where there is a third phase that forms an off-center 120-degree triangle with the first two? – Random832 May 12 '17 at 00:34
-
It depends on many factors including where you live, how big your house is, when the service was connected, how big a demand was specified when ordering the service and so-on.
There are at least four possible supply setups.
- "single ended single phase", there is one "live" connection that supplies everything.
- "split single phase", there are two "live" connections with the same neutral-relative voltage and 180 degrees apart relative to the neutral.
- "three phase wye", there are three "live" connections 120 degress apart.
- "three phase wild leg delta", there are three "live" connections, two of them are at the same voltage relative to the neutral and 180 degrees apart relative to the neutral. The third "wild leg" is at 90 degress to the other two relative to the neutral and at a higher voltage relative to the neutral.
In the UK most homes are on single ended single phase. A few homes (either big ones or ones where somone wanted three phase for a workshop) and most commercial properties are on three phase wye. Split phase is rare but not unheard of. I've never heard of a wild-leg supply over here.
AIUI most homes in north America use split single phase but three-phase wye is not unheard of. Commercial properties are more likely to have three phase (either wye or wild-leg). Some very old/low power supplies may be single ended single phase.
AIUI in mainland Europe both single ended single phase and three phase wye are quite common but I don't know further details.
I don't know what the rest of the world does.
- 22,193
- 1
- 39
- 82
-
Could you comment on how the Neutral is formed from the three phase of the type 4 wild leg delta. It's an arrangement I wasn't aware of. – Philip Oakley May 12 '17 at 13:00
-
The Neutral is connected to a center tap on one of the windings of the supply transformer. Tony's answer has a diagram (reffering to the configuration as "tapped delta". – Peter Green May 12 '17 at 13:04
-
so it is most common in areas with the type 2 split single phase as an auxilliary supply where 3-ph is needed (as opposed to areas that use type 1 single ended single phase who can then have the type 3 three phase wye). Thanks. – Philip Oakley May 12 '17 at 16:16
Depends on what you mean by Phase
In North America and similar territories (Colombia, Guam, parts of Japan and Philippines), houses are supplied single-phase 240V, but with a center tap, and the center is neutral. This provides 120V power for most outlets in two poles (not phases since they are the same phase). It is accurate to say these are 180 degrees out of phase with each other, but that's not normally thought of as a phase. A phase is something else.
Elsewhere has real phases, but usually just one
In Europe and the rest of the world, 230V three-phase power (120 degrees apart) is supplied right down to the city block. This is in "wye" configuration with the neutral at the center and 230V on each leg obviously. Most houses are provided a single phase and neutral, but it is not uncommon for a house with higher demand to be provided two phases. These phases are ~400 volts apart hot-to-hot, and are 120 degrees out of phase with each other.
In rare cases a house might get all three phases - this is as easy as justifying it to the power company. (heh). In this case the house is getting 400V 3-phase, which is nearly the 480V 3-phase America serves to industry and large retail.
- 22,052
- 29
- 69
-
I remember as a graduate EE in75' being confused by two opposite 180 deg phases being just 1 phase. (until I understood the meaning of "split" phase) This question indicates it is still missing in the curriculum. Thank you for highlighting your answers. – Tony Stewart EE75 May 13 '17 at 13:32
-
Yup, with split phase it's a matter of perspective. Peg neutral at the top or bottom (perfectly reasonable say, in the Philippines or in a machine that travels worldwide) and your 120 and 240 legs are exactly in phase. – Harper - Reinstate Monica May 13 '17 at 17:52
As mentioned in other answers, it can be implemented both ways, and your location (and age of electrical installation) would influence if you have one or more phases (/legs) in your house or not. But even if there is much greater chance they are implemented one way, does not mean that in your specific case it will not be wired differently!
So only way to be sure is to measure it.
Get an extension cord from one outlet and move it near the other outlet, and use a 250V AC range on voltmeter to measure phase-to-phase voltage between phase from one outlet and phase from extension cord (that is, other outlet). Be sure you measure phase-to-phase and not zero-to-zero (which would always give you 0V)!
If phase-to-phase voltage is 0V, both outlets use the same phase. If it is not, they are on different phases.
Repeat for all outlets you're interested in.
- 350
- 1
- 8
- 20
There is one other configuration that is gaining popularity in the United States, particularly in newer offices and apartment buildings. It is 115/208 three phase.
Unlike European three phase systems, all three phases may be available to outlets. This is popular where greater efficiency in three phase motors used in air conditioning is significant, but not great enough to justify a 480/277 volt service and most loads are 115 volt compatible.
There is a slight loss of performance on large single phase loads due to the lower phase to phase voltage (208 vs. 220) and some incompatibility (some 220 V equipment is not 208 volt tolerant), but other than pure resistive loads (ranges and ovens) three phase equipment will have better performance.
- 1,679
- 3
- 17
- 23
- 862
- 1
- 7
- 17
'Phase' is a technical term that has a specific meaning when referring to domestic wiring and most of the answers have interpreted it as single phase as opposed to three phased wiring (i.e. domestic vs commercial).
However, I don't think that is what the OP was asking. Two sockets a reasonable distance apart but on the same circuit will experience a small but measurable phase shift due to the extra travel time to the further socket. This is more noticeable on a spur such as a long extension cable then on a more traditional looped circuit. Normally this would be practically undetectable but there are situations where this might become significant though they are rare. For example, the use of two photographic lights where one is on a very much longer spur than the other may begin to show syncing issues at higher shutter speeds.
The answer to the OP's question is; Yes, there will be a small but detectable phase shift on the voltage of different sockets in your house, as per your phase shift diagram, but without knowing why you are asking the question, it is not possible to say if it is significant, and without knowing how far apart the sockets are, it is not possible to say how big the shift is (but it will be tiny!).
- 119
- 4
-
3Propagation delay over, say, 200 feet will amount to about a third of a microsecond. How this will effect sync between two photo lights with real-world shutter speeds (no shorter than a tenth of a _milli_second) is beyond me. And anyway, why would you have photo lights powered by outlets so far apart, and why would they be affected by phase shift in the AC power? – Jamie Hanrahan May 12 '17 at 02:39
I'm surprised no-one has said this but if you are in any doubt looking at the wiring between the incoming supply, your meter, and the distribution panel should confirm this.
If it is not marked with the phases (I would think it should be) you can count the wires.
Two wires: single phase + neutral Three wires: single phase split leg + neutral Four wires: 3 phases + neutral The earth connection should be different and obviously different (apart from the colour, it may be bonded to pipes or an earth stud.)
This assumes the meter and distribution board are connected with individual wires rather than multicore cable (which they should be, given the high amperage.) If multicore is used, you can still look at the terminal blocks.
In my old apartment, I had a single phase supply (typical of the UK) but the cable to the meter cabinets was sufficiently exposed that I could see my neighbour was on a different phase to me.
- 961
- 5
- 13

