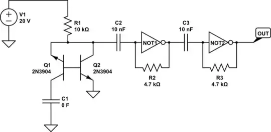
I've seen lots of examples of avalanche diode (or other reverse PN junctions) white noise sources, and before I go out and build it, I've got some questions about the design. First, my first cut at it:

simulate this circuit – Schematic created using CircuitLab
The 20v source is going to be a boost converter - that's straightforward. I've tried simulating this circuit, but unfortunately, the simulators to which I have access don't seem to properly simulate the avalanche noise this circuit is intended to make. All I get is that the first NOT gate oscillates regularly. So questions:
- Does the second self-biased inverter stage serve a purpose? The design I was looking at for this particular case used no less than 3 stages, but I can't see the point of more than 1.
- Some other sources have suggested C1 (obviously not 0F) as a way of reducing the "wrong" kind of noise. Does this make sense?
- Is the amplitude of the output of Q2 going to vary enough to influence the first NOT stage after AC coupling? Seems like that's really the crux of the biscuit. My take is that the first NOT gate is JUST on the verge (or past it?) of instability and that the avalanche source is influencing that instability towards chaos rather than away.
- The MMBT3904 datasheet I've read (from Diodes inc) says that the absolute max E-B voltage is 6V and that the breakdown E-B voltage is also 6V. Am I just setting Q1 up to be blown repeatedly?
EDIT:
I threw this exact circuit together on a breadboard this afternoon, and it appears to work correctly. I get a very irregular frequency square wave (something on the order of high hundreds of kHz, but it's hard to be precise) on the output. When the output is low, there are frequent, very brief upward spikes that get more frequent just before it changes. There are no such (downward) spikes when it's high. The NOT gate was a DIP MC74HC04, but I am going to attempt to actually build this with a 74LVC2G04. The output from one stage by itself is unsuitable, and adding a third (pure inverter) stage at the end appears to do nothing useful (but invert the signal).

