I have the following circuit which uses an LM2903 comparator. But Im not sure if it is designed well enough, and not sure about the open collector output is used correct:
THIS CIRCUIT UPDATED AND MODIFIED PLEASE SCROLL DOWN AND SEE MY EDIT AT THE END OF THE QUESTION
I want to modify the above circuit for two types of inputs from two types of pulse outputting devices.
Input to the circuit will be two types of pulse trains coming from one of the two types of devices. The devices will be either powered by 12VDC and which outputs 12VDC pulses or will be powered by 24VDC which outputs 24VDC pulses. Pulse freq. range is 5Hz to 800Hz. I want the device and the comparator circuit to be powered from the same power supply.
And as I tried to clarify the pulse outputs of the devices will go to the circuit as an input.
I want to modify this circuit in a way that:
1-)The output will be 0 to 5V or 6V pulse, for both 24V and 12V cases.
2-)I want the circuit has a large hysteresis in Schmitt trigger configuration and immune to noise(i.e. output as clean as possible).
3-) I also want an LED to blink and indicate whether there is output by not effecting the pulse freq. or introduce noise to the pulse outputs.
I would be glad to have your version or suggestions for this.
EDIT 1:
To add large amount of hysteresis I had to use the inverting input.
And to use an LED indicator I followed analogsystemsrf's suggestion.
Below is the circuit so far:
Now I have large hysteresis but LED doesn't go off.
But now I have the following problems and worries?
How can I employ an LED so that I don't introduce noise?
And what do you think about the capacitors in this circuit? Do you recommend additional ones?
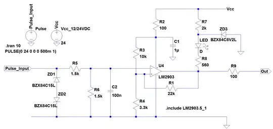
EDIT 2:
With analogsystemsrf's suggestion I modified the circuit again. When I did that, I had to rearrange some resistors to increase hysteresis. I also used 8V zener. Here is the last version:




