I have a BSS138 circuit below the schematic
I want to Convert 5 volt to 3.3 volt logic level shifter that using this BSS138.
Now. I am trying the circuit on the board, but does not work. Can you help me?
I have a BSS138 circuit below the schematic
I want to Convert 5 volt to 3.3 volt logic level shifter that using this BSS138.
Now. I am trying the circuit on the board, but does not work. Can you help me?
 
    
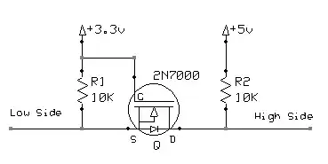
    Google MOSFET level shifter. You need to pullup to +5 to get 5V at the output.
edit: Here is the first hit:
It should be obvious that the way you have the MOSFET won't work (just look at the substrate diode- it will conduct with +5 on the left side).
The turn on voltage of the BSS138 is a bit on the marginal side, but probably good enough for your purposes.
 
    
    Look at this video. Level shift solutions
Is shows several quick solutions. There are dedicated ics that work better with higher frequencies
