The book's solution that you paraphrased seems to be a lucky coincidence, because I2 is not actually 14.4A but 6.72A if you solve this circuit (either manually or in simulator).
In some quarters, this circuit is used an example of circuit that cannot be solved by using source transformations, so this brings at least part of owg60's solution in question. Furthermore the numeric answer in user96037's solution is wrong, so I didn't read that much further.
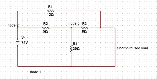
There is, IMHO, one way to simplify some calculations here and not apply the full mesh method for determining Isc. First, observe that the current through R1 is immediately determined by R1 and the 72V source since R1 is connected across it. So I1 = 72V/12ohm = 6A.
Now if we knew the current through R3 (I3) then Isc = I1 + I3. We can indeed ignore R1 for the purpose of calculating the current through R3 (but not for the purpose of calculating Isc, since I1 is included in that).
Ignoring R1 (which is essential, otherwise V1 and R2 don't form a 1-port network), calculate Ieq1 (Norton equivalent of V1 and R2) as 72/5A = 14.4A. Note however that once you've performed a source transformation that's no longer the current through the original R2 but the current through the current source in parallel with the new R2. I think this is what your book is doing, but the wording is muddy. The actual I2 through the original R2 (or even through the new/transformed R2) is not this 14.4A, as you'll see in a moment.
After we've done this source transformation of V1 and R2, we have a current source of 72/5A that's splitting its current three ways: through (the new) R2, through R3, and through R4. Borrowing owg60's 2nd diagram here: 
This is basically a 3-way current divider. I3 is then: (1/8 / (1/5 + 1/8 + 1/20)) * 72/5 = 4.8A. So Isc = I1 + I3 = 6A + 4.8A = 10.8A indeed.
But what about I2? Which I2?? We have to be very careful, because the I2 through the transformed R2 is different than the one though the original R2! Indeed the former is (1/5 / (1/5 + 1/8 + 1/20)) * 72/5 = 7.68A while the latter is (1/8 + 1/20) / (1/5 + 1/20 + 1/8) * 72/5 = 6.72A since it's the sum of I3 and I4. In either case, the book is obviously wrong about I2.
Also, you cannot make a 1-port network out of V1 and (just) R4, even after removing R1. So that (3.6A) transformation doesn't make any sense to me... But you can make a 1-port network of V1, R2 and R4 (again after removing R1). The latter is 14.4A (or 57.6V) source with a 20 || 5 = 4 ohm resistor. Now 57.6V / (4 + 8) = 4.8A again since R3 is now in series with this 4 ohm resistor in the Thevenin form. And this calculation is faster than the current divider I did above, but not very illuminating as to the currents through the actual R2 etc.