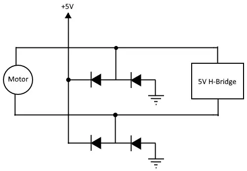
I am trying to understand a circuit diagram for a device that I have that has an h-bridge connected to a motor. Each of the wires going to the motor is connected between two diodes in series which are connected to ground and a fixed voltage. The searches that I have done have also shown this same setup connected to a pair of charlie-plexed LEDs.
I am having a hard time understanding the purpose of these diodes. I have two hypotheses. 1) Noise suppression. 2) Circuit protection for when the motor is connected and disconnected from the circuit.

