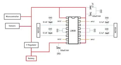
I want to control DC motors with L293D IC using my Raspberry Pi. I wanted to set it up similarily to this:
But then I found one article on Instructabiles, which said that it would work, but correct solution was this:
So my question is, why is the second circuit better? What do the capacitators do? I´m fairly new to electronics, so this may be a dumb question, but I really can´t figure it out.

