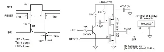
I need to implement a circuit to generate two short (2usec) pulses, one positive and other negative (+-16V and 4A) to SET/RESET a magnetic sensor, HMC1001. Here the design proposed on the datasheet:
First I made a simulation on www.circuitlab.com, here my schematic:
The output is not even near 16V and 4A... I don't have the expertise to evaluate what's wrong on this circuit. Any help will be welcome.

