The Situation

simulate this circuit – Schematic created using CircuitLab
I need to trigger a strobe from a Sony Hot Shoe.
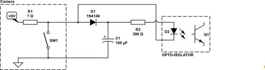
A 3.5mm jack lead comes out of the hot shoe. Using a multimeter I measured 6V across the tip and sleeve of the jack, and when the camera triggers the ring and tip become connected like a switch closing.
Two wires come out of the strobe. Using a multimeter I measured 12V across them. When you touch them together, the strobe triggers.
If I connect the hot shoe to the strobe, it all works fine. When the camera triggers the ring becomes connected to the sleeve completing the circuit and effectively shorting the strobe trigger to ground and firing the strobe.
The problem is that when I plug the camera into to a PC through USB, the strobe stops working. Cutting the power wires on the usb does not fix this, but cutting one of the data wires does. We have assumed that the hotshoe circuitry must be somehow connected to the USB circuitry.
Off-the-shelf flashes work with the USB connected, but they also have 12V across the trigger leads, so we assume that off-the-shelf flashes are opto-isolated. We are hoping that opto-isolating the strobe trigger will fix the USB issue.
The ideal solution

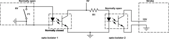
Because there is normally 6V out of the hot shoe, and this goes to 0V when the short is created, the LED in the opto-isolator will normally be on. Therefore I need a opto-isolator that lets the phototransistor allow a current to flow when the LED is off, and stops current when the LED is on. Does this type of "dark on" opto-isolator exist, and what should I search for to find one?
Alternatively

If a "dark on" opto isolator doesn't exist, my idea is to use two optoisolators. The opto-isolator 2 will be powered from a separate 5V voltage source, that will be shorted out when opto-isolator 1 is closed. (i.e, no current will flow through R1 because there is a short to ground through opto-isolator 1). The problem is this requires a new separate power supply, and i'm unsure if it will work. Will this work and is there a better way to do it?
Thanks!


