I bought two SN7489 because I wanted to learn how the memory chip works. I followed the datasheet. I don't seem to be able to get it to work.
After playing around for some time with the IC, it got really hot and I am afraid that I ruined the chip. So, I would like some help understanding how to properly hook up the IC before I ruin the second IC that I have.
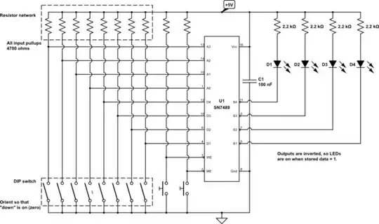
I use V_cc at +5V.
I have, for now, fixed the address pins 1, 13, 14, 15 directly to ground to fix an address.
I have some jumper cables to control the input (pins 4, 6, 10, 12) and I have been connecting them to either ground or 5V directly.
I realized after some time that the outputs are "open collector", but I am not 100% sure what this means. From what I can Google, I am guessing that I would attach, for example, a 470 Ohm resistor and LED to +5V to the output pins. That way when the output pin goes HIGH (or LOW?) there should be a circuit from ground through the led and the resistor to +5V. Have I understood this correctly?
Pins 2 and 3 (the write and memory enable) I have (with jumper wires) attached to ground and/or +5V. I assume that the memory enable should just stay low at all times, but I did try moving it around.
My question is: What am I doing wrong? Do I need some resistors somewhere in all of this?
I would like to see a schematics for how connect the IC with resistors and other things needed.
I don't know a bunch and I am just trying to learn.
