1

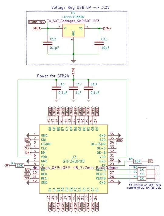
My current circuit diagram My current circuit diagram

The typical application schematic, Figure 17 (page 20), shows the usage of the 10uF and 0.1uF capacitors for the power circuitry. However Figure 16 (page 19), shows the usage of the 1uF and 0.1uF capacitors for the power circuitry.

  1. Do I need the 1uF or 10uF per VDD/VSS pair, or just one for the package. I know I need the 0.1uF per pair.

  2. If my voltage regulator output uses a 10uF, then do i need only the 0.1uF per VDD/VSS pair? Or should I also use a 1uF as my diagram currently has.

  3. Does the use of excessive or extra decoupling/bypass capacitors cause any problems?

STP24DP05 Datasheet

Thanks.

user3011601
  • 23
  • 1
  • 6

1 Answers1

1

Let me preface this with: decoupling is generally something you do as a rough judgement call based on theory principles; I haven't ever done it by analysis at a board level (versus IC level, where I have done back-of-the-envelope time-constant analysis). If you later find that you used too many caps (brings cost up) or not enough/not the right values (performance problems), then you'll adjust the caps experimentally—it's good to leave extra pads on PCBs for additional parallel caps you think you might need if things go wrong, at least on prototypes, sometimes even on a final PCB.

To answer your questions:

  1. It depends on transient currents and distance (or more to the point, trace inductances). For 10μF particularly but 1μF too, you can probably get away with a few mm or low cm of traces and use only a single capacitor, and I would probably go with only one on a prototype if the final space/BOM cost is an issue. Upgrade to the two caps if you find one only one causes issues, or if space permits leave some pads for two caps closer to the pins. The 0.1μF will be much more sensitive to distance so keep that one closer to the chip's actual pins.

  2. Depends on distances and the amount of transient currents the cap has to filter. If your voltage regulator output is right beside this chip (and the transient currents aren't terrible—if they are maybe consider increasing the capacitance), you can just use one 10μF for the entire thing. If your voltage regulator is a handful of centimetres away, you'd want to put in a 1μF or 10μF closer to your STP24DP05, along with the one near the voltage regulator.

  3. Excessive number of capacitors, no, except it costs more and takes more space! However, trying to put big capacitors instead of smaller ones can cause issues—large capacitance values help filter bigger transient currents which is good, but physically larger capacitors cannot handle fast current transients as well. Capacitors are less effective as frequency goes up, and physically big capacitors can't go as high in frequency due to higher equivalent series inductance; see this other question. This is why we put parallel capacitors of different values in the first place.

Someone once told me that, as a general rule, using parallel capacitors two decades (factor of 100) apart provides good coverage of frequency range. So 10μF and 0.1μF, or 1μF and 0.01μF.

Laogeodritt
  • 340
  • 1
  • 12