The main power is USB charger 5V. The backup power is battery 12V. Output should be 3.6V Current goes to DC-DC LM2596 that gives 3.6V output.
So, I cannot use simple schematics with zenner diodes or MOSFET cause to fact: voltage on backup battery is higher than that on main line.
The ideal switch is relay. But it is so slow.

Is one more scheme based on 2 DC-DC LM2596 with inverted OE pin.

The next solution is LTC4412, but its hard to find.
Advise me solution, please. I know how to solder SMD and have a lot of different fets, transistors, zenner, etc.
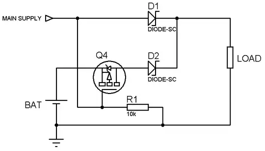
What about https://electronics.stackexchange.com/a/131048/97927 ?



