I just finished rearranging furniture in my room and I ended up with a lot of cables next to each other, some of them powering electronics that draw a few hundred watts. Is it any risky - for example, can I create a coil this way? I am aware that this way I can probably cause some powerful interference.
3 Answers
You're quite likely fine. Here are the problems that could occur due to cables running close together, and why they won't for you.
As you worried about, creating an inductor causing unwanted coupling between wires. However, inductance arises from current flowing around a loop. In a typical power or signal cable, the opposing currents flow in two or more conductors in the same cable. This means that there is very little loop area, and what there is is between the wires inside the cable itself. (This is actually very important for high-speed data cables — unwanted inductance can degrade the signal, so they have carefully-designed pairs of wires and outside shields.)
If you had some kind of circuit with two widely separated wires, then you could accidentally create problematic inductances.
Current through the greater-than-zero resistance of the wires creates heat. If you have a large coil of cable instead of spreading it out, then it gets hotter because there's more heat being put into the same area, and less airflow. Sufficient heat melts insulation (possibly causing a short circuit) and starts fires.
This is unlikely to be a danger because any well-made power cable should be able to deal with “a few hundred watts”, assuming you are using standard 120V/240V AC line cords. If you're making custom cables or a low-voltage (e.g. 12V) power system, well, make sure you're not using undersize conductors.
(This is the problem that PlasmaHH's comment is about — unrolling everything is likely unnecessary, but you don't want to find out the hard way that someone had a high-power device plugged into an underrated extension cord, and uniform safety policies are easier to enforce.)
Cables running parallel to each other — whether or not they are in loops — can couple noise between them, when the noise is “common-mode” (flowing on both conductors, not oppositely). Generally, this poses no safety risk at all because the noise is very low power, but it can be undesirable in analog audio systems or radio receivers.
- 7,524
- 1
- 26
- 44

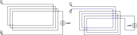
simulate this circuit – Schematic created using CircuitLab
Figure 1. An inductive coil. Figure 2. Cancellation.
Unless you wired your equipment with single wires it would be impossible to create a coil of the type shown in Figure 1.
Because your cables contain the feed and return current in very close proximity the inductance caused by the current to the load is exactly cancelled out by the current returning from the load.
Note that cables coiled up tightly are a different problem. If they are carrying significant current (for the gauge of wire) they will get warm or hot. This may cause insulation breakdown or even fire.
Interference in this situation would only be caused if your power cables ran beside signal level audio cables such as microphones or phono leads. If you can't hear it in your loudspeakers then all is well.
- 175,532
- 13
- 190
- 404
You will hardly create an inductor, since in each cable the current flows in both directions, making magnetic flux zero.
So, don't worry.