I'm designing my first PCB and probably the circuit is a bit complex for my electronics knowledge. So a doubt arised while drawing the layout.
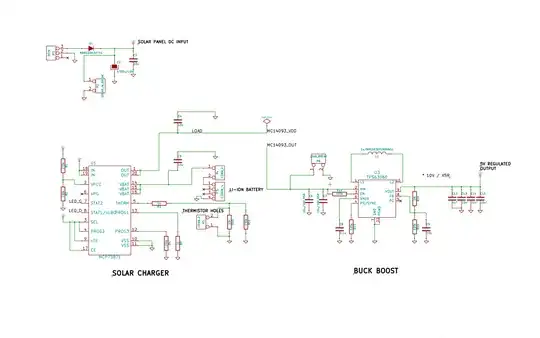
The board has got a Microchip MCP73871, an integrated circuit that manages the charge of lithium batteries with solar power. If there is a load while the battery is charging, the MCP73871 sends the power needed to a step-up/step down voltage regulator IC Texas Instruments TPS63060 to regulate the voltage to 5V in order to power an AtMega328P.
So speaking with voltages, we have:
- MCP73871 powered with 6V (from solar panel)
- TPS63060 may receive 3.3-6V and outputs 5V
- Arduino works with 5V
The question is, should I separate grounds and ground planes?
