5

I saw the term pull-up resistor being mentioned everywhere, but I haven't grasp the reasoning behind its use.

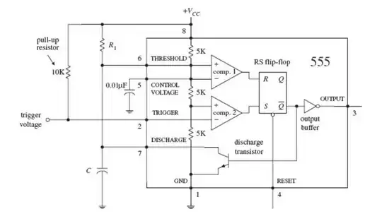
For example, I saw one in the book Practical Electronics for Inventors, in this schematic for 555 timer arranged for monostable operation. 555 timer in monostable operation.

It is explained that

... pin 2 is normally held high by the 10-k pull up resistors.

But why use a resistor? If we want to keep pin 2 high, can we just make a short from this pin to Vcc? If we just want to limit the current, I thought we can do it somewhere else, for example by adding a resistor between the output pin 3 and the ground?

Andree
  • 339
  • 1
  • 6
  • 15

3 Answers3

10

In your drawing, the pull-up resistor does pull pin 2 towards Vcc, but allows a trigger input to pull pin 2 low in order to trigger the 555. If you connected pin 2 directly to Vcc, you could never trigger the 555.

In general, pull-up and pull-down resistors are used to hold a signal line at a default (often "inactive") state, but allow the line to be pulled to an active state by other circuits when required.

If you want a signal to be held to Vcc or Gnd at all times, you can usually make a direct connection to Vcc or GND. (There have been logic families where a direct connection of an input to Vcc is not recommended, so a pull-up resistor should be used there, even if the pin will never be pulled low.)

Peter Bennett
  • 59,212
  • 1
  • 49
  • 132
  • "There have been logic families where a direct connection of an input to Vcc is not recommended" -- If the datasheet doesn't explicitly say that a pin should be pulled high/low with a resistor, then is it safe to assume direct Vcc/GND connection for pull-up/down is ok, or is it better to assume a pull-up/down resistor is required?

    – Nick Bolton Jul 04 '22 at 10:24
  • 1
    It should be safe to make a direct connection to Vcc or Gnd unless the datasheet warns against it. – Peter Bennett Jul 04 '22 at 15:22
6

Because once the "Trigger Voltage" goes low, you create a dead short between VCC and the "Trigger Voltage" source. Dead shorts are bad. The Pull-Up sets the default state (high), and is weak enough to be easily pulled low while preventing a high current draw in that situation.

Passerby
  • 73,027
  • 7
  • 93
  • 209
  • If we put a big big resistance as the pull-up resistor, is it possible for the default state to become low instead? – Andree Dec 07 '15 at 23:55
  • If you place a milli ohm as the pull up, the input impedance of the trigger pin may come into play. It depends on rf and interference in the area to see if a too weak pull up won't overcome a floating pin. 10k ~ 100k is average. – Passerby Dec 08 '15 at 00:05
  • 2
    @Passerby: I think you mean megohm rather than milli ohm... – Peter Bennett Dec 08 '15 at 00:37
5

In my experience, the term 'pull-up' (or pull-down) resistors originated in digital logic circuits, particularly those employing TTL devices with 'open collector' gate outputs. The pull-up resistor ensured that when a gate's output was 'off' (i.e. non-conducting) the logic level was Logic 1 (or if you prefer, HIGH or TRUE).

With a supply voltage of just 5V, usually 1k resistors were used to minimise current consumption when the gate's output was driven LOW (Logic 0).

Although not a digital circuit, the 555 timer inputs can be sensitive to spurious signals if not held at some pre-determined voltage level when in the quiescent or inactive state, hence the use of the resistor.

If the input was connected directly to Vcc, and ignoring any other effects, the input would never be able to change!

UK_techie
  • 61
  • 2