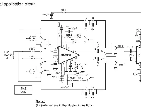
I have a preamp rescued from an old stereo: BA3308
It has a pin "ALC" and the data sheet keeps going on about how splendid this ALC is and how it has a built-in ALC diode and such.
Nowhere does it tell you what ALC is, or how you should use this ALC pin.
I have looked for meanings of ALC online, and I have found 2 possible meanings that would fit this device:
- Automatic Level Control
- Audio Limiter Control
There may be others...
What is it? How should I connect it? is it an input, or an output? It's a major feature of this chip, and I guess it's assumed you know what it is as you chose the chip.
