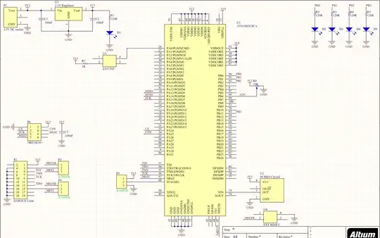
I am trying to develop an ARM development board using ATSAM3U4C with a 96 MHz clock, a few LEDs and a button for external interrupt. Shown below is a little circuit that I have put in place. Using Atmel SAM-ICE 20 pin JTAG connector as the debugger and using Atmel Studio 6.0 for programming. For JTAG connection, pin 3 on 20 pin socket connects to NRST and pin 15 connects to NRSTB.
So far I got the LEDs to blink but I have a few questions:
- The debugger does not seem to erase the chip when loading the program. I can run the program once but then to run the program again, I have to use one of the buttons to drive the Erase Pin high (using U5 for now).
- I noticed that my 96 MHz crystal oscillator is not actually being used by the ARM processor. Have I wired it incorrectly?
These are the only two issues I am facing right now. I have been using 8-bit microcontrollers and thought this would be a good learning to design my own board and learn to program on it.
