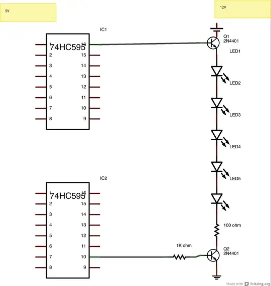
I have a question concerning using 74HC595 with two transistors to power a LED matrix. My goal is to make an 48 x 8 LED matrix using a cluster of 5 LEDS per unit (as opposed to only using one led as shown in Ref 1). I am having trouble making Ref 2 work with the shift registers and I can't figure out why (I suspect that the shift registers are not supplying enough voltage to switch the transistors. I've attached a simplified schematic. Please let me know what I am doing wrong, thanks!
Parts: NPN = 2n4401 w/ 1k resistor
Ref 1) My template for constructing the matrix http://www.instructables.com/id/48x8-SCROLLING-MATRIX-LED-DISPLAY-USING-ARDUINO-CO/?ALLSTEPS
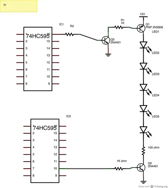
Ref 2) My reference for using two transistors Using an NPN vs a PNP transistor


